
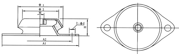
一、ZA型隔振器外形尺寸、重量:
型 号 \ 参 数 |
主要尺寸(mm)
|
重 量(kg)
|
||||||
Ø1 |
Ø2 |
Ød |
A1 |
A2 |
H |
M |
||
ZA-34
|
63
|
48 |
9 |
93 |
76 |
34 |
12 |
0.2
|
ZA-39
|
104
|
82 |
13 |
172 |
135 |
39 |
16 |
0.6
|
ZA-49 |
145
|
115 |
14.5 |
212 |
182 |
49 |
16 |
1.75 |
型 号 \ 参数 |
载荷范围(kg)
|
压缩量mm |
垂向固有频率Hz |
ZA-34-40 |
20~70 |
1.5~4 |
14.5~10 |
ZA-34-50 |
50~100 |
1.5~4 |
14.5~10.5 |
ZA-39-40 |
100~400 |
1.5~4.5 |
15.0~10.5 |
ZA-39-50 |
150~450 |
1.5~4.5 |
14.0~9.0 |
ZA-39-60 |
200~550 |
1.5~4.5 |
13.5~9.5 |
ZA-39-70 |
250~650 |
1.5~4.5 |
14.0~10.0 |
ZA-49-40 |
250~550 |
3.5~6.0 |
14.0~8.5 |
ZA-49-50 |
300~750 |
2.0~5.5 |
13.5~9.5 |
ZA-49-60 |
400~1000 |
2.5~5.5 |
13.5~9.5 |
ZA-49-70 |
500~1200 |
2.0~5.5 |
12.5~9.0 |
ZA-49-80
|
600~1500
|
2.0~5.0
|
12.5~9.5
|
产品名称:ZA系列橡胶隔振器
ZA系列隔振器的研制,吸收了国外技术,从力学特性、胶料配方、制造工艺等诸方面进行了优化设计、主要指标达国际水平。
ZA系列隔振器广泛适用于柴油发动机(及发电机组)、空压机、风机、冷冻机、泵等机械设备的隔振,对锻压、冲压机械的隔振也有明显效果。
性能特点
1.ZA系列隔振器和同类隔振器相比,具有明显的隔振效果好、体积小、重量轻、高度低、性能稳定、价格便宜等优点。
2.安装方便:在大部分场合应用时可直接置于被隔离的机组与地面之间(或机组下面加一台座),一般不用地脚螺栓,也不用传统的混凝土基础,因而施工周期短,投资低,是目前国内动力机械实施隔振的理想产品。
选用与安装
1.根据机组扰动频率、重量和支撑要求等选择隔振器的规格和数量,选用时,应使机器的扰动频率和隔振器的固有频率之比在2.5~4.5之间为宜。
2.隔振器的布置一般应对称安排,以保证各支承点的隔振器受力均匀。
3.隔振器与基础之间通常不需要地脚螺栓。
4.机组的水平要求很高时,可用调整垫片进行调整,并在使用二周后仔细调平。


