一、用途:
用于主机、辅机、各种动力机械和仪器仪表免受振动的影响,起到减少振动、噪音和防止冲击的作用。
二、型号说明
三、技术参数
|
额定载荷下固有频率(Hz)
|
10±2
|
|
阻尼比(C/Cc)
|
0.08±0.01
|
|
额定负荷下静变形δ(mm)
|
δ≤4(BE-10~BE-160)
|
|
δ≤5(BE-220~BE-400)
|
|
|
拉伸破坏强度P1(MPa)
|
≥3.9(≈40kgf/cm2)
|
|
破坏载荷Pp(N)
|
≥15倍额定载荷
|
四、BE型隔振器的额定负荷
|
产品型号
|
额定负荷
|
|||
|
X正方向
|
X反方向
|
Y向
|
Y向
|
|
|
BE-10
|
10
|
7
|
12
|
6
|
|
BE-15
|
15
|
10
|
18
|
9
|
|
BE-25
|
25
|
17
|
30
|
15
|
|
BE-40
|
40
|
28
|
45
|
20
|
|
BE-60
|
60
|
40
|
70
|
30
|
|
BE-85
|
85
|
60
|
100
|
40
|
|
BE-120
|
120
|
80
|
135
|
60
|
|
BE-160
|
160
|
110
|
180
|
80
|
|
BE-220
|
220
|
150
|
240
|
110
|
|
BE-300
|
300
|
200
|
330
|
150
|
|
BE-400
|
400
|
280
|
430
|
180
|
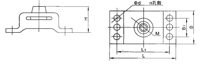
五、BE型隔振器外型尺寸
|
产品型号
|
M
|
L
|
B
|
H
|
L1
|
B1
|
D
|
N
|
|
BE-10
|
M8
|
70
|
36
|
40
|
54
|
/
|
7
|
2
|
|
BE-15
|
M8
|
70
|
36
|
40
|
54
|
/
|
7
|
2
|
|
BE-25
|
M8
|
70
|
40
|
40
|
54
|
/
|
7
|
2
|
|
BE-40
|
M10
|
85
|
55
|
46
|
68
|
/
|
9
|
2
|
|
BE-60
|
M12
|
100
|
65
|
50
|
80
|
/
|
9
|
2
|
|
BE-85
|
M14
|
120
|
70
|
60
|
100
|
/
|
11
|
2
|
|
BE-120
|
M16
|
140
|
85
|
60
|
112
|
/
|
13
|
2
|
|
BE-160
|
M18
|
145
|
90
|
62
|
115
|
/
|
13
|
2
|
|
BE-220
|
M22
|
150
|
105
|
70
|
120
|
/
|
15
|
2
|
|
BE-300
|
M24
|
155
|
110
|
75
|
125
|
60
|
15
|
4
|
|
BE-400
|
M27
|
175
|
120
|
80
|
140
|
65
|
17
|
4
|
六、BE型隔振器安装示意图


